It reveals the components of the circuit as simplified shapes and. I know that it probably isnt that ez but i dont know where you would find a wiring diagram.
My truck is a 95 gmc 3500 with this type bucket on it and i have no diagrams for it.

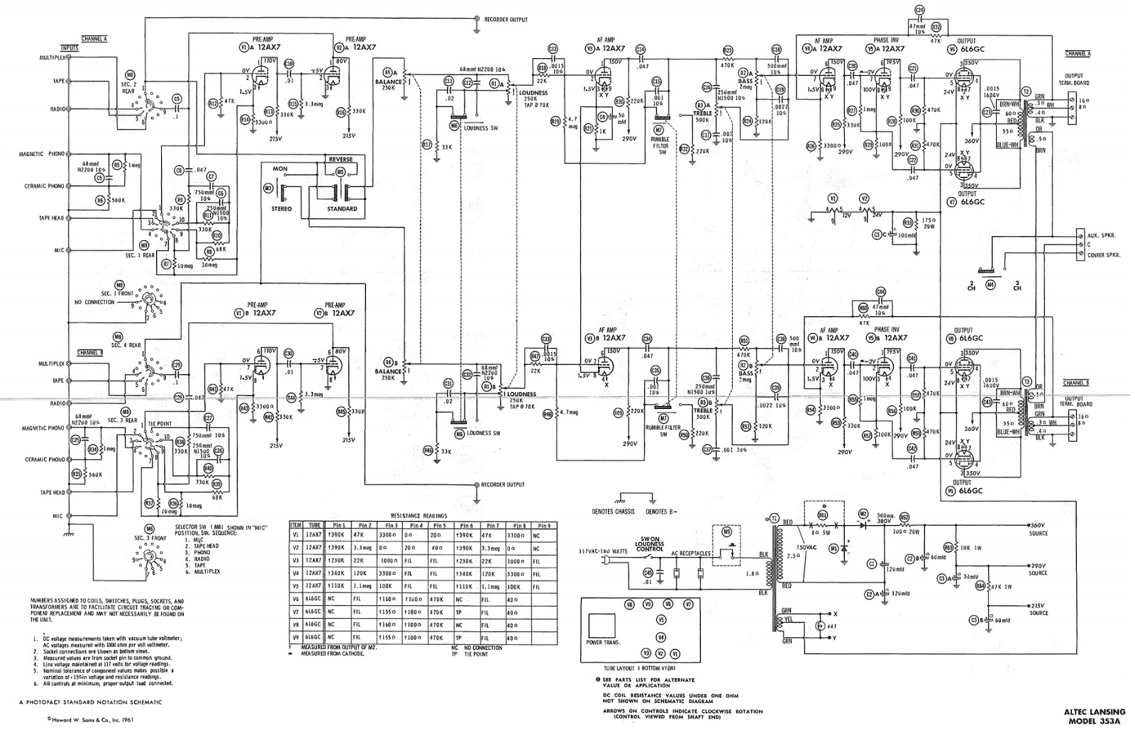
You can find out more Diagram below
Bucket truck wiring diagram. Am not getting power. Bucket truck wiring not real sure all that is involved with what you are doing but it seems that all you need to do is go from the onan gen and find the wire that goes to the outlet on the bucket and trace it back. Variety of versalift bucket truck wiring diagram.
Thank you very much for being an altec customer. The darn thing is draining the battery slowly and my repair shop doesnt have a cluenor wants to get involved in finding the problem. A wiring diagram is a streamlined conventional photographic depiction of an electrical circuit.
A wiring diagram is a streamlined traditional pictorial depiction of an electric circuit. M a2sc serial 89140 0 28 300lbs 2500 psi generl cable. Versalift bucket truck wiring diagram gallery.
At altec we make every effort to make your relationship with us simple and straightforward. Versalift bucket truck wiring diagram collection. I tried searching google for schematics for a versalift bucket.
As part of this effort we are working to get technical manuals online to make them easy to access anytime you need them. Telsta bucket truck answered by a verified technician. I need a manual for hydraulics and electrical wiring for a telsta boom for a bucket truck.
Assortment of versalift bucket truck wiring diagram. A wiring diagram is a straightforward graph of the physical links as well as physical design of an electric system or circuit. The truck came with the complete telsta owners service manual which includes a complete wiring schematic but im still lost of where i should start.
Versalift bucket truck wiring diagram exactly what is a wiring diagram. Truguard 20 which provides another level of protection to linemen working in aerial lifts from phase to phase and phase to ground electrical contact comes standard on every insulated aerial lift that. It shows just how the electrical wires are interconnected and also can also show where fixtures as well as components may be attached to the system.
A wiring diagram is a schematic which uses abstract pictorial symbols to exhibit all of the interconnections of components in a system. Bucket truck safety is central to truguard 20 an improved version of the original which was released in 2012 as versalifts best in class proprietary upper control isolating system. I need a wiring diagram or schematic for a telsta model 28c bucket truck.
Problem im having with my truck is that the controls on the boom are acting up intermittently. Wiring diagrams are made up of a couple of things. Anyone have or can direct me where to look for these at.
It shows the elements of the circuit as streamlined forms as well as the power and signal connections between the tools. Symbols that represent the components in the circuit and lines that represent the connections bewteen barefoot and shoes. The controls down low in the right rear panel all work fine.
I need a wiring schematic for a 28 ft.











0 comments:
Post a Comment